| Autore |
Discussione  |
|
|
joffa
Utente Master
    

3956 Messaggi |
Inserito il - 17/12/2008 : 13:12:51
|
Pensando a una vera e potente frenata rigenerativa, si pone il problema di proteggere i BMS on-board sulle batterie che adottano questo sistema, anche se la tendenza è quella di spostarli sul charger. Nell'ottica di proteggere il BMS, pensate che un paio di diodi possano bastare ? Allego schemino e premetto che di elettronica ne sò pochino...
Immagine:
 17,96 KB
|
|
|
Aittam
Utente Medio
 

Liguria
384 Messaggi |
Inserito il - 17/12/2008 : 14:11:25
|
Scusa Joffa ma il bms ha proprio il compito di proteggere le celle sia durante carica che durante la normale scarica... se tu proteggi il bms escludendolo non credo che poi le celle ne giovino...
Comunque (avendone appena montato uno ) il bms dovrebbe essere in parallelo alle celle, non in serie |
Nausicaa Phoenix: Rockrider 5.2 Crystalyte 408 - 7000 km Nine RH205 Everest 300 km Litio-Cobalto 36V 8,8Ah
|
 |
|
|
joffa
Utente Master
    

3956 Messaggi |
Inserito il - 17/12/2008 : 17:36:27
|
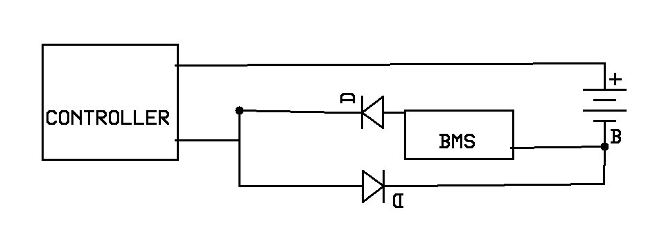
Sulle batterie di Ping il rosso è diretto e comune. Insomma il concetto è che la corrente in uscita deve andare da una parte e quella in entrata deve tornare al BMS dalla stessa parte di dove tornerebbe se arrivasse dal charger. Sempre parlando di negativo, perchè il positivo è comune. Quindi:
Immagine:
 18,48 KB
In pratica bisognerebbe, credo e confermatemelo, inserire anche il charger negative nella spina tra batteria e controller, avendo cura di interporre i due diodi al silicioche dirottano la corrente di ritorno sul "charger negative" disinteressando il "discharger negative" (Pingbattery). Che ne dite ?
|
 |
|
|
Fabio T
Utente Senior
   
Lombardia
1419 Messaggi |
Inserito il - 17/12/2008 : 23:55:09
|
PRRRRROOOOVA! In teoria potrebbe funzionare. Ma cerca di non fumarti un altro BMS   . |
Fabio T - Italic Chinese Biker (1700 Km Coolthings - 4000 Km Frisbee - 400 Km Specialbikes pieghevole - 3000 Km ElettroBugno - 700 Km Atale E-Green) |
 |
|
|
joffa
Utente Master
    

3956 Messaggi |
Inserito il - 18/12/2008 : 15:18:20
|
  Grazie Fabio. |
 |
|
|
HENKA
Utente Attivo
  
Veneto
740 Messaggi |
Inserito il - 21/12/2008 : 14:07:06
|
credo che funzioni, però ti serve un diodo come questo (sono 2 e indipendenti sullo stesso dissipstore e io lo uso per collegarie in parallelo le mie 2 batterie e poter usare il cut-off freni anche avendo un ctr a 36v)
p.s. 160A
http://it.rs-online.com/web/search/searchBrowseAction.html?method=searchProducts&searchTerm=221-377&x=20&y=15
|
city bike Frera, 8FUN da alcedoitalia, dennj 36V 9,5Ah x2 e cammy_cc 48v 10ah x2, watt's up | dahon Ht060 |city bike Olympia, nine 154 36v da wheelkits, dennj 36v 8,1Ah | cinesona 36v | nine fr 154 35v da solo
|
 |
|
|
joffa
Utente Master
    

3956 Messaggi |
Inserito il - 21/12/2008 : 18:10:53
|
Perchè vuoi usare uno Scotty che costa un frego anzichè due semplici diodi al silicio ? Non ho necessità di tempi di commutazione brevissimi e di voltaggi di soglia di 0,35V anzichè 0,6V. |
 |
|
|
Fabio T
Utente Senior
   
Lombardia
1419 Messaggi |
Inserito il - 21/12/2008 : 20:29:54
|
Il problema è trovare diodi al silicio che sopportino almeno 30 Amperes. Probabilmente con quellì'amperaggio anche i diodi normali sono cari. Quel modello mostrato da Henka dovrebbe andare bene, al più puoi fare una prova con diodi classici per vedere se il sistema funziona. |
Fabio T - Italic Chinese Biker (1700 Km Coolthings - 4000 Km Frisbee - 400 Km Specialbikes pieghevole - 3000 Km ElettroBugno - 700 Km Atale E-Green) |
 |
|
|
HENKA
Utente Attivo
  
Veneto
740 Messaggi |
Inserito il - 21/12/2008 : 22:28:43
|
io sinceramente ho preso quello perchè un tipo lo usava su es e non ne ho trovati altri così "grossi"... mi sembrava di aver letto da qualche parte che i schottky consumano meno corrente. tieni conto cmq che è dato per 45v, quindi non è neanche sovradimensionato
|
city bike Frera, 8FUN da alcedoitalia, dennj 36V 9,5Ah x2 e cammy_cc 48v 10ah x2, watt's up | dahon Ht060 |city bike Olympia, nine 154 36v da wheelkits, dennj 36v 8,1Ah | cinesona 36v | nine fr 154 35v da solo
|
 |
|
|
Fabio T
Utente Senior
   
Lombardia
1419 Messaggi |
Inserito il - 23/12/2008 : 00:45:55
|
Il consumo di corrente di uno Schottky dovrebbe essere il 50% di un diodo al silicio tradizionale, ma si parla, su 10 Amperes per esempio, di circa 3-4 W. Ho tra l'altro fatto una prova di caduta di potenziale con un diodo Schottky da 4A ed una corrente di 100 mA; bene a me risultavano 0,6 V di caduta di potenziale, e 0,69 con un diodo tradizionale... Per la tensione starei però su 100 Volt (vero anche che nella centralina dovrebbero essereci dei diodi veloci ad alta tensione per proteggere i mosfet dalle tensioni inverse) |
Fabio T - Italic Chinese Biker (1700 Km Coolthings - 4000 Km Frisbee - 400 Km Specialbikes pieghevole - 3000 Km ElettroBugno - 700 Km Atale E-Green) |
 |
|
| |
Discussione  |
|