| Autore |
Discussione  |
|
|
Aittam
Utente Medio
 
 Liguria
384 Messaggi |
Inserito il - 13/04/2008 : 22:19:06
|
Buonasera a voi tutti! Mi è arrivato il multimetro di bordo (watt's meter); bello e funzionale direi anche se non ho ancora avuto modo di provarlo su strada a causa della settimana uggiosa... Comunque è sorto il problema di come fissarlo al manubrio! Per il momento me la sono cavata con una rete metallica che lo avvolge e lo fissa alle viti del manubrio... chi di voi lo ha, come l'ha sistemato?
Immagine:
 121,67 KB
Altra questione riguarda le connessioni... ho cercato dei connettori simili a quelli che mi sono arrivati col kit Cryst, tuttavia non sono riuscito a trovarli (vd foto)
Immagine:
 99,64 KB
Per il momento ho fatto delle connessioni con dei classici faston opportunamente sagomati per infilarli (neanche troppo bene) nei connettori mostrati...
|
Nausicaa Phoenix: Rockrider 5.2 Crystalyte 408 - 7000 km Nine RH205 Everest 300 km Litio-Cobalto 36V 8,8Ah
|
|
|
IlMago
Utente Medio
 
Lombardia
255 Messaggi |
Inserito il - 13/04/2008 : 22:22:51
|
a me il tuo montaggio "a rete" pare una figata, protettivo e postnucleare, alla MadMax lo adottero' anche io se mai un giorno mi dovesse arrivare il kit ordinato quando ero giovane |
"Il Tappeto Volante" : Challenge Seiran SL + Bafang 250W e Tantrum 36Vx10,5Ah http://www.jobike.it/forum/topic.asp?TOPIC_ID=6768 |
 |
|
|
outside1
Utente Senior
   

Lombardia
1403 Messaggi |
Inserito il - 14/04/2008 : 00:36:26
|
per me sia il fissaggio che la modalità di uscita dei cavi e il fatto che siano troppo corti sono le pecche che vorrei segnalare a loro,
io devo ancora trovare una soluzione ad Hoc, anche perchè il mio è semprei movimento fra le bici e il laboratorio per cui è piu' mobile che fisso! ma una soluzione ottimale la devo trovare.
mi sembrano un po deficitari i tuoi collegamenti faston .... pero' non saprei dirti come rimediare se non trovando i connettori apppropriati |
 |
|
|
icnus
Utente Medio
 

Sardegna
491 Messaggi |
Inserito il - 14/04/2008 : 04:57:00
|
La questione sistemazione wattometro in un primo momento( per averlo in posizione centrale sotto il ciclocomputer )la risolsi utilizzando il supporto per la bici del mio vecchio cardiofrequenzimetro tenuto insieme con degli elastici ricavati da una vecchia camera d'aria.
Immagine:
 91,43 KB
Immagine:
 60,49 KBNon contento della sistemazione troppo bassa e della scarsa visibilità in marcia , ho adottato un'altra soluzione ponendolo proprio sul manubrio utilizzando questa volta come supporti dei porta canalette(quelle tonde) che avevo a casa,e i soliti elastici.Pratico e facilmente rimovibile alla bisogna.Di seguito le foto .Scusate la qualità ,sono dal cellulare.
Immagine:
 33,81 KB
Immagine:
 40,96 KB
Immagine:
 37,38 KBA proposito di connessioni chiedo a outside se è possibile utizzare nel mio doc wattson l'uscita per il connettore di alimentazione ausiliaria per risparmiare spazio e corrente ,e pulizia dei cavi.Si possono trovare in italia simili connettori?Sto dicendo delle eresie? |
 |
|
|
mazott
Utente Senior
   

Lazio
1359 Messaggi |
Inserito il - 14/04/2008 : 14:11:59
|
L'alimentazione ausiliaria dovrebbe solo servire a permettere la misura di voltaggi inferiori a 4V. I connettori non sono proprio comuni, i piu' facili faston sono adeguati. Forse potresti provare con Flymodelcomponents.It oppure all'estero, gli Anderson ci sono ma ne vale la pena?
Per quanto riguarda il montaggio a vista, io ho preferito il collegamento in vicinanza della batteria, all'interno della borsa, anche per mettermi al riparo da possibili vandalismi. In fondo l'utilita' dello strumento rimane anche se non visibile dal manubrio; se hai bisogno di un controllo, apri la borsa e verifichi la situazione consumi. In genere, dovendo fare dei brevi test di assorbimento, allora ha senso la lettura diretta. Altrimenti devi eventualmente prevedere di sganciare il collegamento del meter quando parcheggi, cosa anche fattibile. |
>>>>> (26000Km Crystalyte 4011 48V) <<<<< |
 |
|
|
outside1
Utente Senior
   

Lombardia
1403 Messaggi |
Inserito il - 14/04/2008 : 17:51:43
|
per fare uin discorso di uniformita con i miei alimentatori e batteria ho messo dei connettori maschio femmina a banana tipo Hirschmann Icnus per quanto rigurda il connettorino ho provato a vedere fra le mie scorte ma non c'è ne uno che vada bene e dubito anche che se ne trovino qui da noi , è disponibile come sai dove l'hai comperato.
Mazott è vero che serve per tensioni sotto a 4V ma si puo' utilizzare come memoria nel caso devi attaccare e staccare carico o alimentatore per non perdere i dati memorizzati.
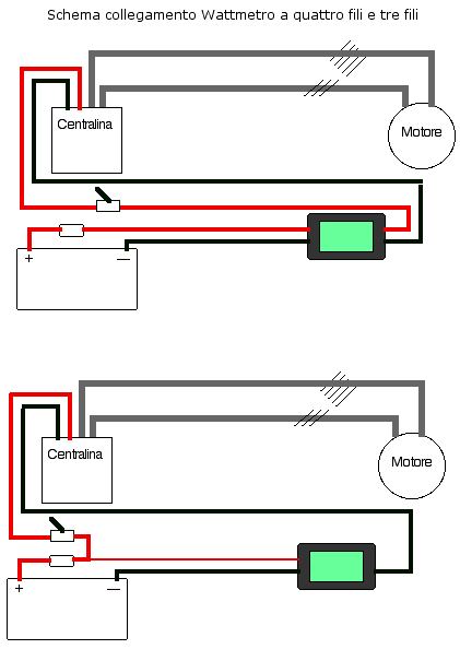
Icnus se vuoi ottenere un cablaggio piu' "ordinato" con meno fili si puo' usare la configurazione a tre fili, vedi disegno
Immagine:
 26,84 KB |
 |
|
|
gianluca115
Nuovo Utente
11 Messaggi |
Inserito il - 14/04/2008 : 18:01:54
|
Ciao a tutti, io per proteggerlo da acqua sole ecc, l'ho inserito dentro una scatola di plastica per circuiti elettrici, creando una finestrella per visualizzare i dati, mentre per la parte elettrica ho preferito utilizzare morsetti mammut, inoltre sul positivo batteria ho collegato un interruttore con cui accendo e spengo il Watt's Up, forse la scatola è un pò grandicella ma probabilmente in seguito metterò un interruttore per le luci a led che voglio installare.
Immagine:
 178,83 KB
Immagine:
 105,33 KB |
 |
|
|
Aittam
Utente Medio
 

Liguria
384 Messaggi |
Inserito il - 14/04/2008 : 18:32:41
|
| mazott ha scritto:
... I connettori non sono proprio comuni, i piu' facili faston sono adeguati. Forse potresti provare con Flymodelcomponents.It oppure all'estero, gli Anderson ci sono ma ne vale la pena? ...
|
Sul sito da te indicato non li ho trovati ... che cosa sono gli anderson?!? hai ragione cmq, metterlo in saccoccia vicino alla batteria sarebbe la soluzione migliore anche per quel che riguarda possibili atti di vandalismo... tuttavia è bello avere sotto controllo tutte le variabili in gioco!!! così posso vedere istante per istante quanta potenza consumo (e distrarmi dalla guida ) Ad ogni modo mi sa che se non li trovo, li sostituisco con dei faston così è tutto coerente e con connessioni efficaci... |
Nausicaa Phoenix: Rockrider 5.2 Crystalyte 408 - 7000 km Nine RH205 Everest 300 km Litio-Cobalto 36V 8,8Ah
|
 |
|
|
mazott
Utente Senior
   

Lazio
1359 Messaggi |
Inserito il - 14/04/2008 : 20:35:57
|
| outside1 ha scritto: Icnus se vuoi ottenere un cablaggio piu' "ordinato" con meno fili si puo' usare la configurazione a tre fili, vedi disegno
|
La documentazione ricorda anche che, in questo caso, per la salute del meter, ci sono delle circostanze, carichi induttivi, che obbligano a mantenere la batteria collegata sull'ingresso nei collegamenti e scollegamenti del carico. |
>>>>> (26000Km Crystalyte 4011 48V) <<<<< |
 |
|
|
outside1
Utente Senior
   

Lombardia
1403 Messaggi |
Inserito il - 14/04/2008 : 21:20:12
|
| mazott ha scritto:
| outside1 ha scritto: Icnus se vuoi ottenere un cablaggio piu' "ordinato" con meno fili si puo' usare la configurazione a tre fili, vedi disegno
|
La documentazione ricorda anche che, in questo caso, per la salute del meter, ci sono delle circostanze, carichi induttivi, che obbligano a mantenere la batteria collegata sull'ingresso nei collegamenti e scollegamenti del carico.
|
ma come è disegnata la configurazione non ci dovrebbero essere problemi, anche perchè se stacchi il carico il motore è spento e comunque la centralina non è un carico induttivo è solo capacitivo per i condensatori di livellamento. e anche perchè non circolano forti correnti, sono solo 60mA di autoconsumo della centralina a vuoto. |
 |
|
| |
Discussione  |
|